Язык
Валюта
€
$
Br
р.
Корзина
0 товар(а,ов) - 0.00р.
В корзине ничего нет!
Добро пожаловать вы можете
войти
или
зарегистрироваться
.
Главная
Каталоги
Мой профиль
Отложено (0)
Корзина
Вы смотрели
71847712
NISSAN
Купить
A53806214-7240
DEMAG
Купить
Начало
»
10046220 AJUSA Прокладка, головка цилиндра
10046220 AJUSA Прокладка, головка цилиндра
Производитель:
AJUSA
Артикул:
10046220
Вес:
0.24кг
Купить
- ИЛИ -
Отложить
Отзывов: 0
|
Оставить отзыв
Поделится
Описание
Спецификация
Отзывы (0)
Применяемость
Аналогичные товары (26)
10046220 AJUSA Прокладка, головка цилиндра
Ширина (мм)
177
Диаметр [мм]
87
Количество пазов/ отверстий
3
Толщина [мм]
1,8
Длина [мм]
452
Вес [г]
243,6
только в соединении с
81019600
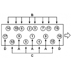
Выставление зазора поршней от [мм]
1,04
Оставить отзыв
Ваше Имя:
Ваш Отзыв:
Примечание:
HTML не поддерживается!
Рейтинг:
Плохо
Хорошо
Введите код указанный ниже:
Продолжить
0046829
ELWIS ROYAL
Купить
20974/7618
SPESSO
Купить
27000
GLASER
Купить
30-024774-10
GOETZE
Купить
411260P
CORTECO
Купить
446.372
FACET
Купить
446.372
Elring
Купить
446.382
Elring
Купить
446.383
Elring
Купить
501-6015
TRISCAN
Купить
61-29060-00
REINZ
Купить
61-29060-10
REINZ
Купить
61-29060-20
REINZ
Купить
7701024762
RENAULT
Купить
7701028290
RENAULT
Купить
7701028290
CHRYSLER
Купить
7701033528
RENAULT
Купить
7701033528
CHRYSLER
Купить
7701035218
RENAULT
Купить
7701461762
RENAULT
Купить
7701461762
CHRYSLER
Купить
BG900
PAYEN
Купить
BH090
PAYEN
Купить
CH2369B
BGA
Купить
H27000-20
GLASER
Купить
HG265
FAI AutoParts
Купить
Тэги:
,
JAPANCARS.RU
JapanCars.ru © 2025